首页
关于我们
公司概况
企业文化
发展历程
企业荣誉
公司架构
核心产品
全自动玻璃盖板印刷系
全自动烘烤炉系列
3D玻璃全制程系列
其他
新闻中心
公司动态
行业资讯
视频中心
投资者关系
实时行情
公告
信息披露
招贤纳士
员工福利
招贤纳士
投送简历
胜游网页版登录入口_胜游(中国)
EN
/
中文
语言
导航
EN
中文
首页
关于我们
公司概况
企业文化
发展历程
企业荣誉
公司架构
核心产品
全自动玻璃盖板印刷系
全自动烘烤炉系列
3D玻璃全制程系列
其他
新闻中心
公司动态
行业资讯
视频中心
投资者关系
实时行情
公告
信息披露
招贤纳士
员工福利
招贤纳士
投送简历
胜游网页版登录入口_胜游(中国)
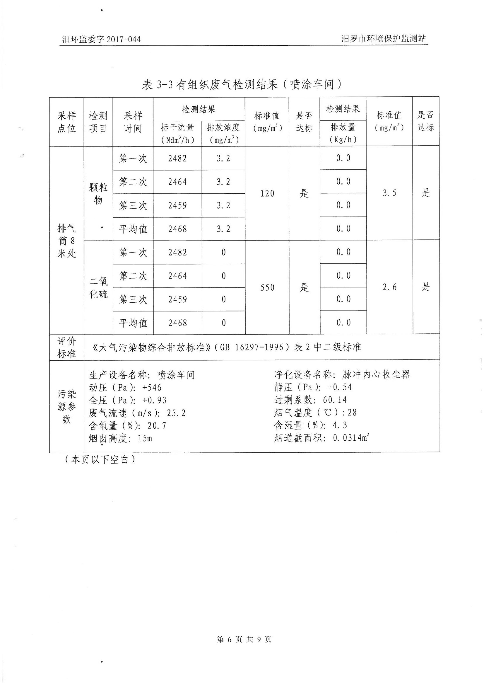
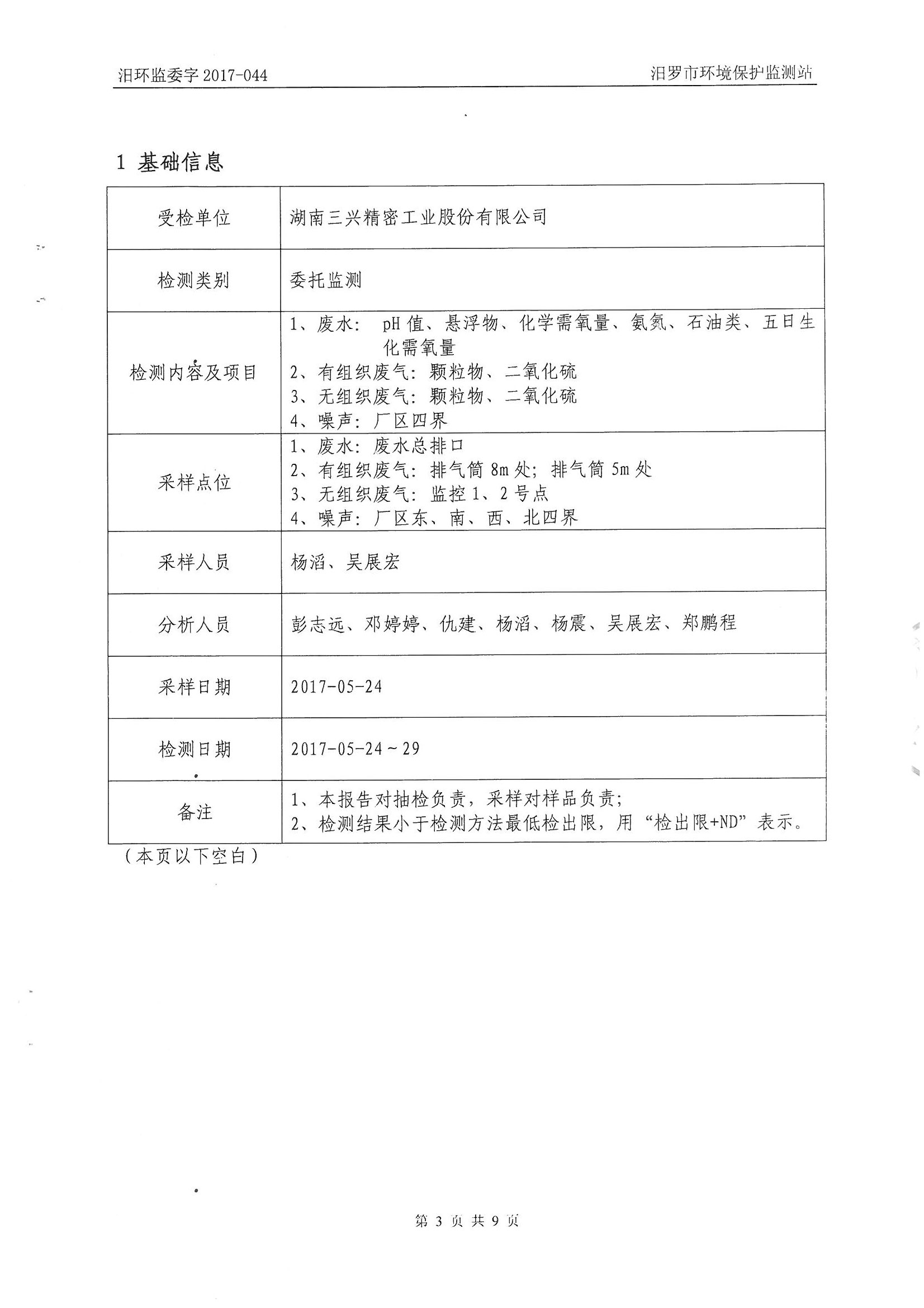
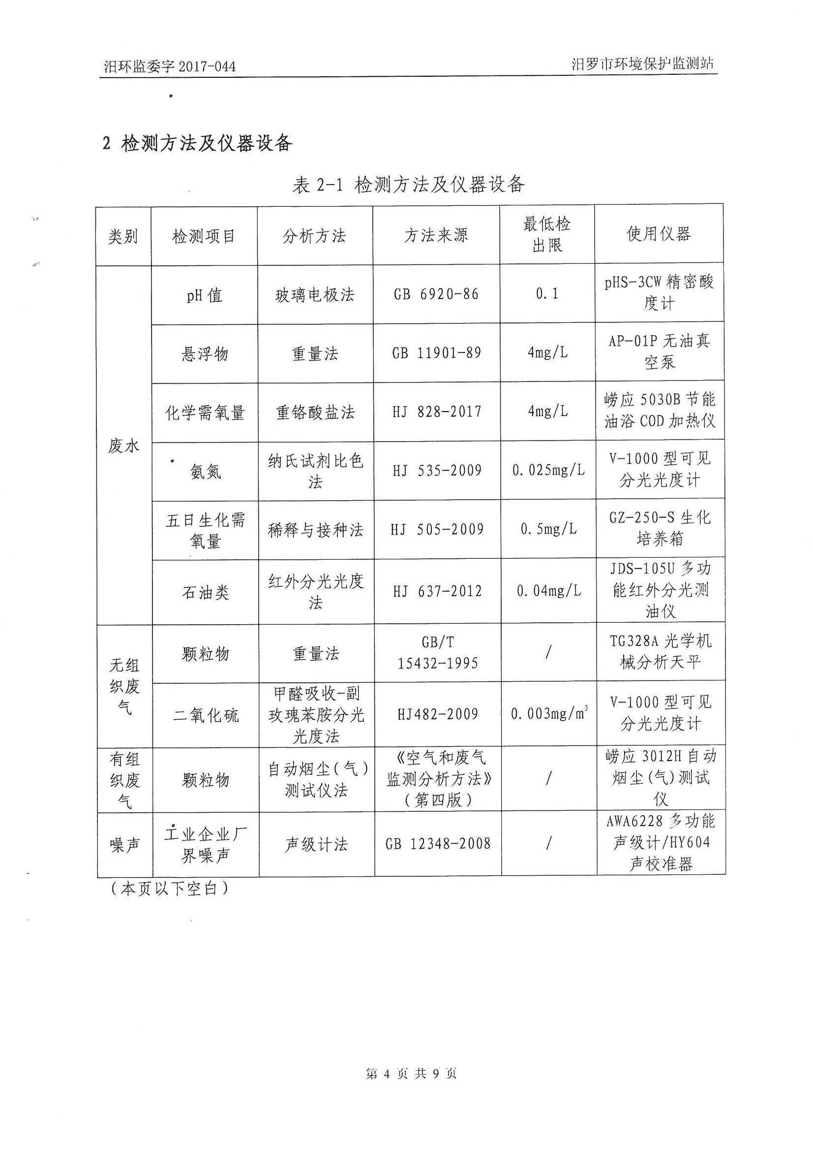
胜游网页版登录入口_胜游(中国)环保监测报告
所属分类:
公司动态
发布时间:
2017-08-22
分享到:
Copyright © 2014-2016 胜游网页版登录入口_胜游(中国) 版权所有 湘ICP备17016185号 执照认证链接
关闭
心博网_心博(中国)
|
心博平台(中国)ios/安卓版/手机app下载
|
胜游官方网站_胜游SHENGYOU(中国)
|
雷火平台
|
心博平台_心博网页版
|
胜游在线客服
|
胜游·胜游(中国)官方网
|
胜游电子·(中国)网站
|
胜游网站
|